让优质原料一点就到 服务热线:
400-678-7252
诉客热线:
400-811-5300
当前位置: 首页 > 树脂 > 台湾长春聚乙烯醇缩丁醛PVB树脂B06SY

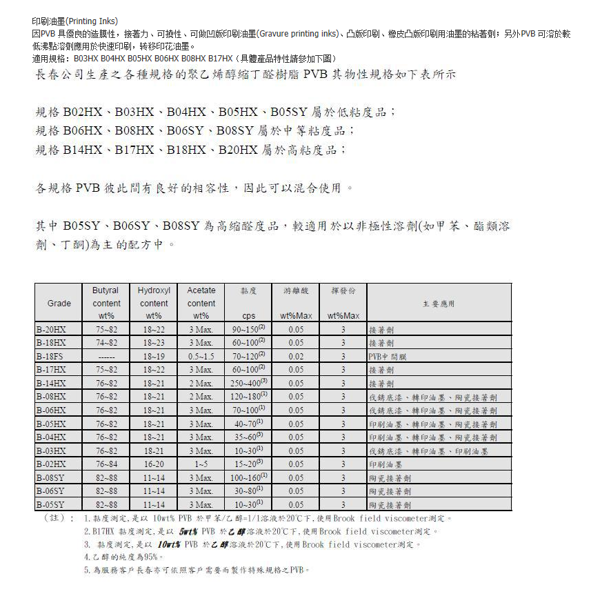
台湾长春聚乙烯醇缩丁醛PVB树脂B06SY

  • 商品品牌:台湾长春
  • 产品型号:B06SY
  • 产品产地:
  • 包装规格:
温馨提示:    由 凯茵化工 负责发货,并提供售后服务。
免费咨询电话:      400-678-7252
国产品牌原料采销平台
  • 产品介绍
  • 诚信凯茵
  • 产品资料
    商品名称:台湾长春聚乙烯醇缩丁醛PVB树脂B06SY
    • 产品品牌台湾长春

      产品产地

    • 产品型号B06SY

      包装规格

    台湾长春聚乙烯醇缩丁醛PVB树脂B06SY

    诚信凯茵

    台湾长春聚乙烯醇缩丁醛PVB树脂B06SY 产品资料下载列表:
购买过此产品的还购买过更多

相关资讯推荐更多

  • 购物指南

  • 配送方式

  • 支付方式

  • 客服服务

  • 技术问答

  • 关于我们

logo

服务热线:400-678-7252

客诉专线:021-33887252